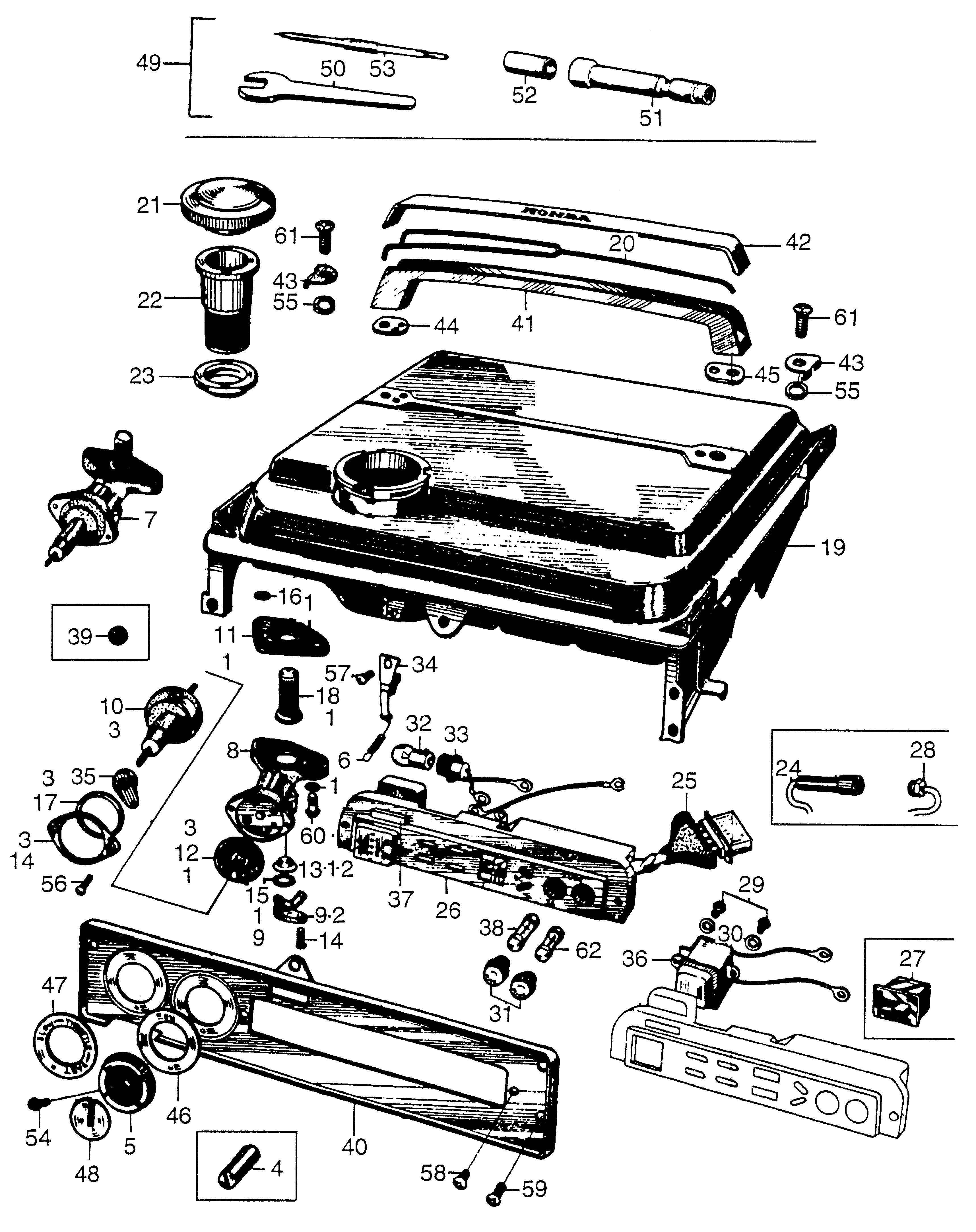
Generators E E300 E300K3 A GE300-3000005-3188447 FUEL TANK@PANEL - Hemet Valley Tool & Supply

Ref No
Part Number
Description
Serial Range
Qty
Price

Ref No
1
Part Number
16080-836-005
Description
GASKET SET, VALVE (NOT AVAILABLE)
Serial Range
2039314 - 9999999

Ref No
2
Part Number
16081-836-005
Description
CUP SET, STRAINER (NOT AVAILABLE)
Serial Range
2039314 - 9999999

Ref No
3
Part Number
16082-836-005
Description
LEVER SET, VALVE (NOT AVAILABLE)
Serial Range
2039314 - 9999999

Ref No
5
Part Number
16564-812-020
Description
KNOB, CONTROL (NOT AVAILABLE)
Serial Range
1026557 - 9999999

Ref No
6
Part Number
90445-700-000
Description
GASKET, FIBER (6MM)
Serial Range
2025091 - 9999999

Ref No
7
Part Number
16950-836-015
Description
PETCOCK ASSY. (NOT AVAILABLE)
Serial Range
1026557 - 9999999

Ref No
19
Part Number
17500-836-671T
Description
TANK, FUEL *NH2M* (METALLIC SILVER) (NOT AVAILABLE)
Serial Range
2044872 - 9999999

Ref No
20
Part Number
17601-812-010
Description
TUBE, HANDLE BREATHER (NOT AVAILABLE)
Serial Range
1000001 - 9999999

Ref No
21
Part Number
17650-801-020
Description
CAP, TANK
Serial Range
1000001 - 9999999

Ref No
22
Part Number
17672-812-000
Description
FILTER, FUEL
Serial Range
1000001 - 9999999

Ref No
23
Part Number
17673-836-000
Description
RUBBER, FILTER (NOT AVAILABLE)
Serial Range
1000001 - 9999999

Ref No
25
Part Number
32114-812-000
Description
COVER, WIRE HARNESS CONNECTOR
Serial Range
1000001 - 9999999

Ref No
26
Part Number
32340-836-712
Description
RECEPTACLE ASSY., SWITCH
Serial Range
1000001 - 9999999

Ref No
29
Part Number
93500-03010-0A
Description
SCREW, PAN (3X10)
Serial Range
1000001 - 9999999
Qty
Price
$0.96

Ref No
30
Part Number
94111-03000
Description
WASHER, SPRING (3MM)
Serial Range
1000001 - 9999999
Qty
Price
$1.14

Ref No
31
Part Number
32347-836-013
Description
HOLDER, FUSE (NOT AVAILABLE)
Serial Range
2000001 - 9999999

Ref No
32
Part Number
34902-202-000
Description
BULB, DASH (6V 3W)
Serial Range
1011455 - 9999999

Ref No
34
Part Number
36100-836-005
Description
SWITCH ASSY., ENGINE (NOT AVAILABLE)
Serial Range
1000001 - 1240000

Ref No
35
Part Number
36141-812-000
Description
ARM, SWITCH (NOT AVAILABLE)
Serial Range
1240001 - 9999999

Ref No
36
Part Number
37500-836-153
Description
METER, FREQUENCY
Serial Range
1106001 - 9999999

Ref No
38
Part Number
32342-836-710
Description
FUSE (3A) (NOT AVAILABLE)
Serial Range
3000005 - 9999999

Ref No
40
Part Number
66211-836-600T
Description
PANEL, FR. *NH2M* (METALLIC SILVER)
Serial Range
3000005 - 9999999

Ref No
41
Part Number
68110-812-020
Description
HANDLE, CARRY (NOT AVAILABLE)
Serial Range
1000001 - 9999999

Ref No
42
Part Number
68121-812-000
Description
COVER, HANDLE (NOT AVAILABLE)
Serial Range
1000001 - 9999999

Ref No
43
Part Number
68125-812-000
Description
HOOK, HANDLE COVER
Serial Range
1000001 - 9999999

Ref No
44
Part Number
68141-812-010
Description
GASKET A, HANDLE (NOT AVAILABLE)
Serial Range
1000001 - 9999999

Ref No
45
Part Number
68142-812-000
Description
GASKET B, HANDLE (NOT AVAILABLE)
Serial Range
1000001 - 9999999

Ref No
46
Part Number
87531-836-000
Description
MARK, VALVE KNOB (NOT AVAILABLE)
Serial Range
1106001 - 9999999

Ref No
47
Part Number
87532-836-000
Description
MARK, THROTTLE KNOB (NOT AVAILABLE)
Serial Range
1000001 - 9999999

Ref No
48
Part Number
87533-812-000
Description
MARK, CONTROL KNOB (NOT AVAILABLE)
Serial Range
1026441 - 9999999

Ref No
50
Part Number
89203-836-000
Description
SPANNER (8MM) (NOT AVAILABLE)
Serial Range
1000001 - 9999999

Ref No
51
Part Number
89216-812-010
Description
WRENCH, SPARK PLUG (NOT AVAILABLE)
Serial Range
1000001 - 9999999

Ref No
51
Part Number
89216-812-010
Description
WRENCH, SPARK PLUG (NOT AVAILABLE)
Serial Range
1000001 - 9999999

Ref No
52
Part Number
89216-812-010
Description
WRENCH, SPARK PLUG (NOT AVAILABLE)
Serial Range
1000001 - 9999999

Ref No
52
Part Number
89216-812-010
Description
WRENCH, SPARK PLUG (NOT AVAILABLE)
Serial Range
1000001 - 9999999

Ref No
53
Part Number
89221-812-000
Description
SCREWDRIVER
Serial Range
1000001 - 9999999

Ref No
54
Part Number
90192-836-000
Description
BOLT, KNOB (3MM) (NOT AVAILABLE)
Serial Range
2000001 - 9999999

Ref No
55
Part Number
91301-801-000
Description
O-RING (5X1.5) (NOT AVAILABLE)
Serial Range
1000001 - 9999999

Ref No
56
Part Number
93500-03006-0A
Description
SCREW, PAN (3X6)
Serial Range
1000001 - 9999999
Qty
Price
$1.10

Ref No
56
Part Number
93500-03006-0A
Description
SCREW, PAN (3X6)
Serial Range
1106001 - 9999999
Qty
Price
$1.10

Ref No
57
Part Number
93500-03006-0A
Description
SCREW, PAN (3X6)
Serial Range
1000001 - 9999999
Qty
Price
$1.10

Ref No
57
Part Number
93500-03006-0A
Description
SCREW, PAN (3X6)
Serial Range
1106001 - 9999999
Qty
Price
$1.10

Ref No
58
Part Number
93500-04008-0A
Description
SCREW, PAN (4X8)
Serial Range
1106001 - 9999999
Qty
Price
$1.06

Ref No
59
Part Number
93500-05010-0A
Description
SCREW, PAN (5X10)
Serial Range
1000001 - 9999999
Qty
Price
$1.10

Ref No
60
Part Number
93500-06016-0A
Description
SCREW, PAN (6X16)
Serial Range
1000001 - 9999999
Qty
Price
$1.40

Ref No
61
Part Number
90605-884-000
Description
SCREW, PAN (6X20)
Serial Range
1000001 - 9999999